在現代電子設備中,多路輸出電源方案因其高效性和靈活性而備受青睞。本文將詳細介紹一款基于 BPA8618D 芯片的多路輸出電源方案,該方案能夠同時提供 12V/0.3A、18V/40mA 和 W12V/30mA 的輸出,適用于多種應用場景。我們將從電路設計、電路板實物圖、溫升測試等方面進行深入分析,展示其性能和可靠性。
BPA8618D 是一款高性能的多路輸出電源管理芯片,專為滿足復雜電子設備的多樣化電源需求而設計。該方案能夠在一個緊湊的電路設計中實現多個獨立的電壓輸出,同時確保各輸出之間的電氣隔離和穩定性。其輸入電壓范圍為 176VAC 至 264VAC,頻率支持 47Hz 至 63Hz,適用于全球大部分電網環境。輸出部分包括 12V/0.3A、18V/40mA 和 W12V/30mA 三個獨立通道,能夠滿足多種設備的供電需求。

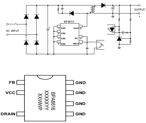
BPA8618D 方案的電路設計是其核心部分,電路圖展示了各個元件的連接關系和功能。從電路圖中可以看出,該方案采用了高效的開關電源架構,主要包括輸入整流濾波電路、主控芯片 BPA8618D、變壓器 T1、輸出整流濾波電路以及保護電路等關鍵部分。

輸入整流濾波電路:將交流輸入轉換為直流,并通過濾波電容去除高頻噪聲,為后續電路提供穩定的直流輸入。
主控芯片 BPA8618D:作為整個電源方案的“大腦”,負責控制開關頻率、占空比以及實現各種保護功能,確保充電過程的安全與高效。
變壓器 T1:實現電壓轉換和電氣隔離,其多繞組結構能夠同時提供多個獨立的輸出電壓。
輸出整流濾波電路:將變壓器次級輸出的高頻脈沖轉換為穩定的直流輸出,并通過濾波電容去除輸出紋波,保證輸出電壓的純凈度。
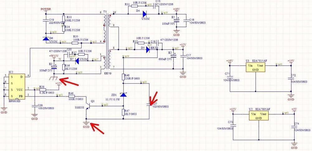
電路板實物圖是電路設計的直觀呈現。從實物圖中可以看到,該電源方案的電路板布局緊湊合理,元件排列整齊,布線清晰。主控芯片 BPA8618D 安裝在電路板的正面,周圍分布著與其相關的電阻、電容等元件,便于信號傳輸和調試。變壓器 T1 位于電路板的中心位置,占據了較大的空間,其多繞組結構通過不同的引腳與電路連接,實現了高效的能量轉換。輸出端的接口設計在電路板的邊緣,便于與外部設備連接。整個電路板采用了雙面板設計,通過合理的布線和元件布局,有效減少了電磁干擾,提高了電路的穩定性和可靠性。

溫升測試是評估電源方案可靠性的重要方面。在不同輸入電壓和滿載條件下,對關鍵元件的溫度進行了測試。測試結果顯示,主控芯片 BPA8618D、貼片二極管 ER2D 以及變壓器 T1 的溫度均在安全范圍內。
環境溫度:48.4℃(176VAC)、48.1℃(230VAC)、48.9℃(265VAC)
BPA8618D(IC2):79.1℃(176VAC)、95.1℃(230VAC)、100.7℃(265VAC)
ER2D(D5):72.2℃(176VAC)、75.4℃(230VAC)、78℃(265VAC)
變壓器繞組(T1):65.2℃(176VAC)、67.9℃(230VAC)、70℃(265VAC)
變壓器磁芯(T1):63.2℃(176VAC)、65.5℃(230VAC)、67.3℃(265VAC)
這些溫度均低于元件的最高工作溫度,表明電源方案在正常工作條件下具有良好的散熱性能,能夠保證元件的穩定性和可靠性。

輸出紋波是衡量電源輸出電壓穩定性的重要指標。根據測試數據,在不同輸入電壓和負載條件下,該電源方案的輸出紋波電壓均滿足設計要求。例如,在輸入電壓為 176VAC 時,12V 輸出的紋波電壓為 116mV(空載)和 167mV(滿載);在輸入電壓為 265VAC 時,12V 輸出的紋波電壓為 113mV(空載)和 184mV(滿載)。這些結果表明,電源方案在不同工作條件下都能保持較為穩定的輸出電壓,為設備提供純凈的電源。
動態負載響應測試用于評估電源在負載快速變化時的輸出電壓穩定性。測試結果顯示,當輸入電壓分別為 176VAC 和 265VAC 時,12V 輸出在負載從 0.03A 變化到 0.27A(變化速率為 0.5A/μS,頻率為 100Hz)時,輸出電壓的最大峰-峰值分別為 396mV 和 374mV。這說明電源方案能夠在負載快速變化的情況下,快速響應并穩定輸出電壓,避免因電壓波動對設備造成損害。
如需要BPA8618D完整測試報告,還請咨詢三佛官網右側在線客服聯系方式,提供樣品,技術支持~
通過對 BPA8618D 多路輸出電源方案的詳細解析和性能評估,我們可以看到該方案在電路設計、元件選型、性能測試等方面都表現出色。其緊湊合理的電路板布局、精心選型的元件以及高效的變壓器設計,共同實現了高效、穩定的電源性能。在輸出紋波、動態負載響應、溫升等關鍵測試指標上,該電源方案均達到了設計要求,能夠為電子設備提供安全可靠的電源支持。未來,隨著電子技術的不斷發展,電源方案的設計將更加注重高效、節能、小型化以及智能化,而 BPA8618D 方案的設計理念和實踐經驗,將為后續的設計提供寶貴的參考和借鑒。