在現代電源設計中,隨著電子設備對電源性能要求的不斷提高,電源芯片的設計也愈發注重高效率、高集成度和高可靠性。LP3717BTT作為一款由芯茂微推出的5V3A極簡化自供電原邊反饋控制芯片,憑借其創新的設計理念和卓越的性能表現,為電源設計工程師提供了一個高效、可靠的解決方案。本文將深入解析LP3717BTT的核心特性、工作原理及其在實際應用中的優勢。
LP3717BTT是芯茂微推出的一款高性能自供電原邊反饋控制芯片,專為滿足5V3A電源需求而設計。該芯片采用SOP-8封裝形式,具有極簡化的電路設計和高度集成的特點,能夠顯著簡化電源設計流程,降低設計成本,同時提高系統的可靠性和穩定性。LP3717BTT以其高效率、低待機功耗和完善的保護功能,成為現代電源設計的理想選擇。

LP3717BTT的核心特性如下:
極簡化設計:采用自供電原邊反饋控制技術,無需次級反饋電路,極大地簡化了電路設計,減少了外部元件數量。
高效率:在5V3A的輸出條件下,能夠實現超過85%的轉換效率,顯著降低能量損耗,提高電源的整體性能。
低待機功耗:在無負載情況下,待機功耗極低,小于50mW,符合現代節能標準。
寬輸入電壓范圍:支持85Vac~265Vac的寬輸入電壓范圍,適應不同地區的電網電壓,增強了電源的通用性。
完善的保護功能:內置過流保護(OCP)、短路保護(SCP)、過壓保護(OVP)、欠壓保護(UVP)和過溫保護(OTP)等多種保護功能,確保電源在各種異常情況下都能安全運行。
自供電功能:內置自供電電路,無需外部輔助電源,進一步簡化了電路設計。
高集成度:采用SOP-8封裝,集成了多種功能模塊,減少了PCB面積,降低了成本。
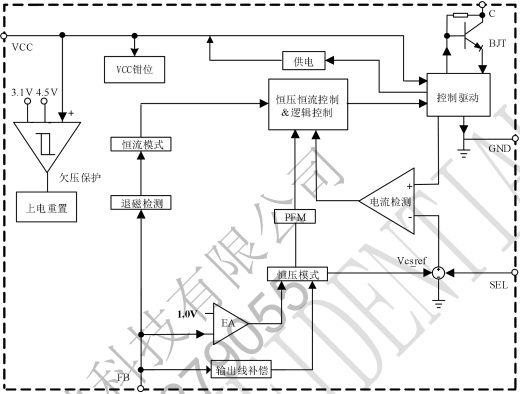
LP3717BTT的工作原理基于自供電原邊反饋控制技術。該技術通過檢測原邊電壓和電流的變化,間接獲取輸出電壓和電流的信息,從而實現對輸出的精準控制。以下是其工作原理的詳細解析:

在電源啟動時,LP3717BTT通過內置的高壓啟動電路從輸入電壓中獲取啟動電流,啟動內部的控制邏輯。啟動完成后,芯片進入正常工作狀態,通過原邊反饋機制維持穩定的輸出。
LP3717BTT采用原邊反饋控制技術,通過檢測原邊電壓和電流的變化,間接獲取輸出電壓和電流的信息。具體來說,芯片內部的反饋電路會根據原邊電壓和電流的變化,調整開關頻率和占空比,從而實現對輸出電壓和電流的精準控制。這種反饋機制不僅簡化了電路設計,還提高了系統的動態響應速度。
LP3717BTT內置多種保護功能,確保電源在各種異常情況下都能安全運行:
過流保護(OCP):當輸出電流超過設定值時,芯片會立即關閉開關管,保護電源免受過流損壞。
短路保護(SCP):當輸出端發生短路時,芯片會迅速檢測到異常并關閉開關管,防止短路電流對電源和負載造成損壞。
過壓保護(OVP):當輸出電壓超過設定值時,芯片會關閉開關管,保護負載免受過高電壓的損壞。
欠壓保護(UVP):當輸入電壓低于設定值時,芯片會關閉開關管,防止電源在低電壓下工作,保護電源和負載的安全。
過溫保護(OTP):當芯片溫度超過設定值時,芯片會關閉開關管,防止因高溫導致的損壞。
LP3717BTT憑借其卓越的性能和極簡化的電路設計,在多種應用場景中得到了廣泛應用。以下是一些典型的應用案例:
在USB充電器中,LP3717BTT能夠提供穩定的5V3A輸出,滿足智能手機、平板電腦等設備的充電需求。其高效率和低待機功耗特性,使得充電器在長時間使用過程中能夠保持較低的發熱量,提高了充電器的可靠性和使用壽命。同時,寬輸入電壓范圍確保了充電器在不同國家和地區都能正常使用,增強了產品的通用性。
在筆記本電腦適配器中,LP3717BTT能夠提供穩定的5V3A輸出,滿足筆記本電腦的充電需求。其自供電功能和原邊反饋控制技術,簡化了適配器的電路設計,降低了成本,同時提高了適配器的動態響應速度和可靠性。多種保護功能確保了適配器在各種使用場景下都能安全可靠地工作,有效保護了筆記本電腦免受充電過程中的損壞。
在LED驅動電源中,LP3717BTT能夠提供穩定的5V3A輸出,滿足LED燈珠的驅動需求。其高效率和低待機功耗特性,使得LED驅動電源在長時間使用過程中能夠保持較低的發熱量,提高了電源的可靠性和使用壽命。原邊反饋控制技術能夠快速響應負載變化,保持輸出電壓的穩定,確保LED燈珠在不同負載和輸入電壓下都能保持穩定的亮度和色溫。
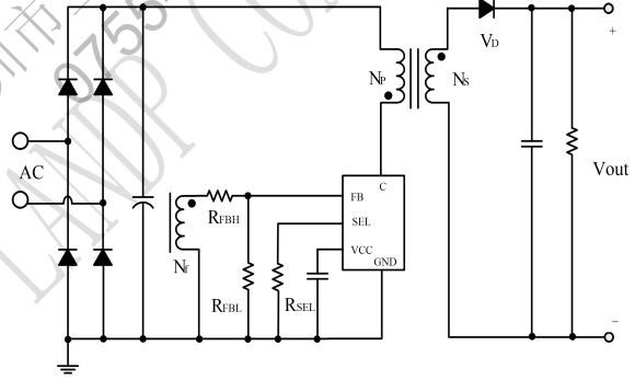
典型應用圖如下:

通過對LP3717BTT的性能測試,可以全面評估其各項性能指標是否符合設計要求。以下是對其主要性能指標的測試結果分析:
在5V3A的輸出條件下,LP3717BTT的轉換效率超過85%,顯示出極高的能量轉換效率。這表明該芯片在能量轉換過程中損耗極低,能夠將大部分輸入能量轉化為有效的輸出能量,提高了電源的整體性能,降低了能耗。
在無負載情況下,LP3717BTT的待機功耗極低,小于50mW。這符合現代節能標準,有助于降低設備在待機狀態下的能耗,延長設備的使用壽命,同時也減少了對環境的影響。
在不同輸入電壓和負載條件下,LP3717BTT的輸出電壓保持穩定,波動范圍極小。這表明該芯片具有良好的穩壓性能,能夠為負載設備提供穩定的電壓,確保設備的正常運行。
在負載快速變化的情況下,LP3717BTT能夠快速響應,保持輸出電壓的穩定。這表明該芯片具有良好的動態響應性能,能夠適應負載設備的快速變化需求,確保設備的穩定運行。
在各種異常情況下,LP3717BTT的保護功能能夠迅速啟動,保護電源和負載的安全。例如,在過流、短路、過壓、欠壓和過溫等情況下,芯片能夠立即關閉開關管,防止損壞。
LP3717BTT作為一款5V3A極簡化自供電原邊反饋控制芯片,憑借其高效率、低待機功耗、極簡化的電路設計和完善的保護功能,為電源設計工程師提供了一個高效、可靠的解決方案。其在USB充電器、適配器和LED驅動電源等應用場景中的卓越表現,充分展示了其在現代電源設計中的巨大優勢。隨著電子設備對電源性能要求的不斷提高,LP3717BTT必將成為電源設計領域的首選芯片之一,為各類電子設備提供高效、穩定的電源支持。