在開關電源技術持續演進的當下,同步整流(SR)技術已成為提升反激式轉換器效率的關鍵手段。FT8374系列高性能同步整流芯片,憑借集成MOS、極簡外圍、超快響應等優勢,廣泛應用于USB PD快充、適配器、充電器等場景。本文將圍繞 FT8374FBA / FT8374FCA / FT8374FS_FB 三款主流型號,深入解析其核心特性、典型應用電路、封裝管腳定義及訂購信息,助力工程師快速選型與設計優化。
| 特性 | FT8374FBA | FT8374FCA | FT8374FS / FB |
|---|---|---|---|
| 支持工作模式 | CCM / QR / DCM | CCM / QR / DCM | QR / DCM |
| 輸出電壓范圍 | 3.3V ~ 21V | 3.3V ~ 21V | 3.3V ~ 21V |
| 集成MOS耐壓 | 60V | 63V | 60V |
| 導通電阻(Rds(on)) | 13mΩ | 10mΩ | 25mΩ(FS)/ 13mΩ(FB) |
| 開啟/關斷延遲 | 20ns | 20ns | 20ns |
| 外圍元件數量 | 僅需1個VDD電容 | 同上 | 同上 |
| 推薦應用功率 | PD 20W(12V/2.5A) | PD 25~30W | 12V/1.5A(FS) 12V/2.5A(FB) |
? 總結:
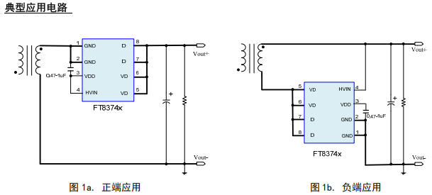
FT8374系列支持 正端與負端兩種整流方式,可靈活適應不同變壓器結構與輸出極性要求。

適用于輸出正極整流,典型用于大多數反激電源設計。
Vout+ → D引腳(內部MOS Drain)
VD引腳 → 檢測MOS兩端電壓
VDD → 接0.47~1uF電容至GND
HVIN → 外部供電(可選)
適用于輸出負極整流,常見于特殊結構電源或隔離型設計。
Vout- → D引腳
VD引腳 → 檢測電壓
VDD → 接電容至GND?? 注意:無論正負端應用,僅需一個VDD電容,極大簡化BOM。
三款芯片均采用 SOP8封裝,管腳排列一致,便于替換與兼容。

? 設計建議:

? 命名規則解析:
| 應用需求 | 推薦型號 | 理由 |
|---|---|---|
| 20W PD快充(如iPhone充電器) | FT8374FBA | 成熟方案,性價比高 |
| 25~30W高功率快充(如PPS) | FT8374FCA | Rds(on)更低,效率更高 |
| 小功率適配器(12W以內) | FT8374FS | 成本優化,適合QR模式 |
| 12V/2.5A中等功率 | FT8374FB | 與FBA性能相近,適合QR結構 |
如需進一步了解 FT8374系列 的實測數據、熱性能或替代方案,建議在PCB設計中結合實際散熱條件進行測試驗證,或咨詢深圳三佛科技技術支持獲取完整版規格書與應用筆記。