PN8044芯朋微18V300MA 高性能非隔離交直流電源芯片
18V300MA DIP8 非隔離
18V300MA DIP8 非隔離
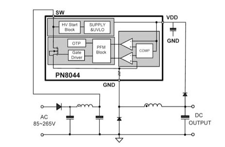
PN8044集成PFM控制器及650V高雪崩能力智能功率MOSFET,用于外圍元器件極精簡的小功率非隔離開關電源。PN8044內置650V高壓啟動模塊,實現系統快速啟動、超低待機功能。該芯片提供了完整的智能化保護功能,包括過載保護,欠壓保護,過溫保護。另外PN8044的降頻調制技術有助于改善EMI特性。
內置650V高雪崩能力智能功率MOSFET.
內置高壓啟動電路.
優化適用于18V輸出非隔離應用.
PN8044半封閉式穩態輸出功率5.4W @230VAC
PN8046半封閉式穩態輸出功率9W @230VAC
改善EMI的降頻調制技術
優異的負載調整率和工作效率
全面的保護功能.
過載保護(OLP)
過溫保護(OTP)
欠壓保護(UVLO)
